SP1215EF
是一款降壓型PWM轉換器,典型輸出驅動電流為3.5A無需外加晶體管。
詳細介紹
文檔與工具
樣品及購買
SP1215EF是一款降壓型PWM轉換器,典型輸出驅動電流為3.5A無需外加晶體管。設計允許它可在8V~40V的寬輸入電壓下工作。通過將COMP/EN腳邏輯電平拉低來控制外部關斷功能,使其進入待機模式。外部補償使反饋控制具有良好的線電壓調整率和負載調整率,具有靈活的外圍設計。
SP1215EF的特點之一是具有可編程的CV/CC模式控制功能。CV(恒壓)模式提供了一個穩定的輸出電壓,CC(恒流)模式提供了一個限流功能。在電流檢測放大器輸入期間,CC電流值通過外部電阻設定。
SP1215EF適用于需要用到限流功能的DC/DC開關電源上。該器件采用ESOP-8L封裝,且工作時只需要很少的外圍器件。
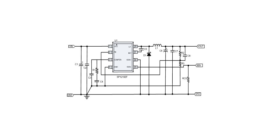
典型應用框圖
應用
電壓輸入范圍:8V~40V
輸出電壓Vout(Vref=1.2V)精度為±1%
CC/CV模式控制(恒流和恒壓)
限流精度為±5%
輸出短路保護
過溫保護
內置軟啟動,啟動時間12ms
固定頻率120kHz
UVLO保護
占空比范圍(0~90%)
單獨的引腳進行外部補償和關斷控制
內置可調整線補
集成N-MOSFET
ESOP-8L封裝
車充
便攜式充電設備
高亮度照明設備
具有限流功能的多功能DC/DC變換器
樣品及購買
樣片申請
推薦產品
